精選
配線圖...讓我好挫折...
2010/05/18 15:19
瀏覽4,396
迴響0
推薦1
引用0
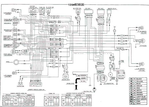
上網找到了野狼125M的配線圖
但是
小小段看到這推蚯蚓
好挫折阿...
只好使出"刪去大法"
發現...
有一堆了線,不只單單"顏色對顏色"這麼簡單...
難怪我怎接都不太對的樣子...
你可能會有興趣的文章:
上網找到了野狼125M的配線圖
但是
小小段看到這推蚯蚓
好挫折阿...
只好使出"刪去大法"
發現...
有一堆了線,不只單單"顏色對顏色"這麼簡單...
難怪我怎接都不太對的樣子...